缓粘结预应力技术 —梁、板结构中的预应力设计简析

2025年12月04日 10:52 兆小通

缓粘结预应力技术——梁、板结构中的预应力设计简析



缓粘结预应力技术

—梁、板结构中的预应力设计简析


随着建筑功能对大跨度大空间要求的不断提升,高铁站房、机场、地铁车辆段上盖、博物馆、体育馆、物流仓储和厂房等工程中普遍存在大跨重载梁和超长混凝土板的结构设计需求——主次梁结构跨度可达到12~30m、50m以上超长混凝土不设缝的工况更是司空见惯:

1)大跨度、重荷载梁。大跨度或重载作用下的梁构件采用普通钢筋混凝土梁板体系已难以满足其功能需求,采用缓粘结预应力技术,可以更好地控制构件开裂和变形,提高结构的耐久性,延长建筑的使用寿命,并显著减小构件的截面尺寸,降低结构自重,具有良好的经济性。

2)超长结构混凝土板。根据《城市轨道交通上盖结构设计标准》T/CECS 1035-2022等相关标准及工程实践的温度应力计算,温度变化产生的超长结构混凝土楼板内的拉应力可达到2~4Mpa甚至更高。当应力超过混凝土的抗拉强度时会产生裂缝,而混凝土一旦开裂,将导致防水功能失效,严重影响结构的耐久性,且增加后期维修成本,甚至带来结构安全隐患,通过采用缓粘结预应力技术,为混凝土板施加预压应力,可以有效控制构件开裂,大大改善耐久性能。

采用缓粘结预应力技术已成为混凝土梁、板结构设计的重要选择,本文以成都北站工程为例,对缓粘结预应力技术在高铁站房中的设计计算、施工图绘制和预应力深化等进行简析说明:



















































图片





















































一、大跨度梁中的缓粘结预应力混凝土结构设计


01
设计流程

(1)通过计算软件(PKPM、YJK等)得出结构内力;

(2)根据预应力强度比、平均预压应力估算预应力筋数量与普通筋数量;

(3)进行配筋检验、承载力验算、挠度验算、裂缝验算等;

(4)如验算结果不满足要求,可调整预应力筋数量、线形、普通筋数量,进行再次验算直至全部满足;

(5)依据设计结果进行施工图绘制。
02
设计方法

预应力混凝土设计的关键在于预应力筋和普通筋的配筋估算,一般先估算出预应力筋数量,再根据承载力或构造要求估算普通筋的数量,预应力筋的估算方法一般有以下三种:

图片

根据荷载平衡法估算预应力筋数量;

图片

根据预应力强度比估算预应力筋数量;

图片

根据平均预压应力估算预应力筋数量。

03
成都北站上盖梁中的设计实例

(1)工程概况:梁板结构,最大柱距20.5m,梁截面:主梁800mmx1800mm、次梁600mmx1600mm。

除跨度大、荷载大的预应力梁常规工况外,本项目设计的特点在于外荷载要分批加载:即上盖公园的覆土荷载需在预应力张拉施工完成后施加。在此工况下,如按照全部荷载产生的内力进行预应力筋配筋,则可能引起全部张拉完成后至覆土荷载施加前的期间,预应力梁因预应力施加引起的预应力混凝土梁反拱过度,进而带来梁跨中上部开裂的风险。

其中,预应力混凝土梁的反拱是预应力作用下的重要变形特征,指梁在预应力筋的偏心张拉作用下,产生向上的弯曲变形,与竖向荷载作用下的向下挠度方向相反。

为解决上述问题,同时避免分期分批张拉造成的复杂施工工序,预应力的设计配筋原则总体采用荷载平衡法的思路——由预应力筋平衡结构自重荷载产生的弯矩,由普通筋平衡后期覆土荷载产生弯矩。

(2)设计步骤:建筑结构设计提供计算模型,在未加覆土荷载的工况下,查看主次梁的内力情况,配置预应力筋平衡结构自重产生内力。计算表格如下:

图片

平衡荷载法预应力筋根数计算表

得到预应力筋根数,输入YJK模型,进行常规配筋检验、承载力验算、挠度验算、裂缝验算。之后在模型中加上覆土荷载,根据此荷载下的内力计算结果配置普通钢筋。

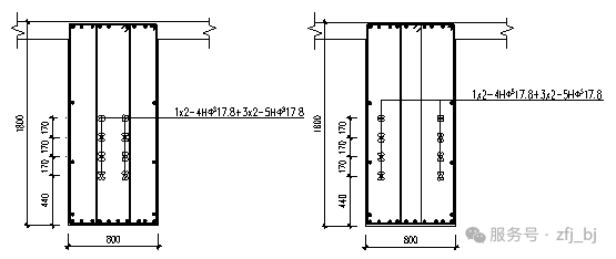
(3)配筋结果:梁中采用17.8mm规格,强度fptk=1860MPa的缓粘结预应力筋。主梁中普遍每跨38根预应力筋,次梁普遍每跨12根预应力筋。

(4)施工图绘制在结构模板图中补充绘制预应力相关信息,制图依据为06SG429《后张预应力混凝土结构施工图表示方法及构造详图》,表示出预应力梁编号、截面、预应力筋根数、预应力筋线形等信息。

图片

预应力梁结构平面施工图

(5)梁深化设计图绘制:包含预应力筋平面图绘制、立面曲线图绘制、剖面图绘制、复杂节点图绘制。

A、预应力平面布置图应体现预应力的配筋数量、布置方式、梁柱节点的绕筋方式以及加腋平面尺寸;

B、立面曲线图应包含梁柱轮廓线、轴线、位置标注、剖切符号等,并按线形绘制的预应力筋、预应力筋配筋数量和线形、反弯点和最低点、高度位置、水平定位间距,同时对上述相关尺寸等进行标注;

C、剖面图应于立面曲线图中剖切位置相对应,包含梁断面轮廓线、预应力筋配筋数量、高度、横向间距等信息。

图片

立面曲线图及剖面图

D、深化设计要点

需要注意验算张拉端和固定端的局部承压,根据验算结果,排布张拉端固定端,并在立面曲线图中标出。

E、深化设计难点及处理办法

本项目根据现场的实际情况,设计为单端张拉,单跨张拉,每跨预应力筋根数偏多,两跨搭接位置梁柱节点处最多为76根预应力筋通过,主梁截面宽度为800mm,故两跨搭接位置节点处理为本项目深化设计难点。

缓粘结预应力筋布筋原则为:在梁中分束布筋,每束钢绞线根数不宜多于5根;混凝土梁中预应力束的竖向净间距不应小于缓粘结预应力束的等效直径的dp1.5倍,水平方向的净间距不应小于缓粘结预应力束的等效外径dp的2倍,且不应小于粗骨料粒径的1.25倍;使用插入式振动器捣实混凝土时,水平净距不宜小于80mm;裂缝控制等级为一级、二级的梁,预应力束外边缘至构件边缘的净间距,梁底不宜小于50mm,梁侧不宜小于40mm;裂缝控制等级为三级的梁,梁底、梁侧分别不宜小于60mm和50mm;成束布置的缓粘结预应力钢绞线在端部宜分散开并单根锚固。

图片

缓粘结预应力筋在梁中排布原则

F、节点排布

图片

相邻两跨跨中预应力筋排布如上图,两跨梁搭接位置,76根预应力筋排布如下图:

图片

为了施工和张拉方便,本项目采用梁面撅起张拉。由于预应力筋根数偏多,为了防止预应力筋在搭接位置缠绕互相干扰,给出了搭接节点示意图,如下图:

图片
图片

38根预应力钢绞线框架柱节点处交叉排布大样图

图中通过立面和剖面明确了每根钢绞线在梁面张拉的位置,避免了现场施工时预应力筋缠绕,现场施工效果良好。


图片
图片



现场施工照片




二、超长结构板中缓粘结预应力混凝土结构设计


预应力混凝土结构技术是通过张拉预应力筋从而在结构构件中预先施加的压应力,用以平衡或减小由外部荷载或温度变化引起的混凝土拉应力。在超长结构中,由于温度变化频繁且幅度可能较大,因此产生的温度应力也相应较大。通过施加预应力,可以在一定程度上抵消降温工况下带来的混凝土拉应力,从而达到控制混凝土裂缝的设计预期。

01
设计流程

考虑温度应力及预应力施加的超长结构区域的竖向构件布置。

对于拟采用预应力技术抵抗温度应力的混凝土结构,需在结构布置初期考虑预应力施加对于结构竖向布置的要求,即结构竖向布置需最小程度影响对楼盖系统预压应力的形成。如抗侧刚度较大的柱、墙体或支撑结构宜布置在避免形成较大温度应力的区域,这种布置对预应力的施加也有较好的效果。


温度应力的计算原则

根据已有的结构模型,搜集符合工程所在地的历史气温资料,视施工过程中的温度场暴露条件以及正常使用条件下的温度环境,设定软件分析中的升温或降温参数。根据正常使用极限状态的设计目标及业主要求,确定合理的徐变效应对温度应力的折减。


确定预压应力大小

根据软件分析的温度应力结果,甄别并排除异常温度应力数值,关注结构中间区域普遍较大的温度应力以及结构端部竖向构件拉压前后区域局部温度应力的变化。设定与温度应力匹配的预压应力,并根据设计目标确定是否考虑混凝土自身的受拉强度。


考虑结构平面的具体布置及施工组织进行缓粘结预应力筋设计

在超长结构中,为避免施工时的混凝土收缩应力,一般设置温度后浇带、膨胀加强带等,并选择合适的后浇带合拢温度。预应力筋的分段长度及张拉、锚固端设置应充分结合施工分段进行考虑。将楼板设置为壳体单元的温度有限元分析,会形成区别于一般楼板模型的结构内力。楼面梁的内力以及楼板内缓粘结预应力筋的束形布置应根据所采用的模型单元进行有针对性的布置。


温度预应力筋的施工详图

楼板内存在局部开洞、标高变化等影响时,需根据具体的设计要求,进行缓粘结预应力筋设置的调整,补充局部孔洞的加强或处理措施。根据局部抗压验算的情况及楼面梁的布置排布预应力筋间距。

02
成都北站超长楼板中的设计实例

本工程为站城一体化改造市政平台工程,盖板层建筑面积9.6万㎡,分为东、西两个独立盖板,上盖平台西侧面宽252m,进深212m;东侧面宽245m,进深217m,属于典型的超长结构,且处于露天环境,昼夜温差大,应考虑温度变化和混凝土收缩对结构产生的不利影响。

(1)设计步骤:

A、根据项目信息,分析温度情况;

B、用YJK软件进行温度应力分析。升温时混凝土自身膨胀,构件内部受压,不会产生收缩裂缝,故仅考虑降温时构件内部的温度应力。综合考虑外界环境温度变化、混凝土收缩当量温差,温降效应的综合等效温差取为-44.1℃,混凝土徐变应力松弛系数取为0.8。通过软件计算,得出温度应力云图如下图所示。

图片

X向温度应力


图片

Y向温度应力

盖板X向:依据应力云图结果,温度应力取值2.5MPa,设置温度应力筋;

盖板Y向:依据应力云图结果,温度应力取值2MPa,设置温度应力筋。

C、计算预应力筋有效应力:

图片

D、板预应力筋配筋计算:

X向需要配置预应力筋根数:

图片

实配2HΦs17.8@600;


Y向需要配置预应力筋根数:

图片

实配2HΦs17.8@750。

(2)施工图绘制:板预应力施工图中应包含预应力筋图例、预应力筋配筋数量、范围等要素。

图片
图片

西侧盖板预应力板施工图

东侧盖板预应力板施工图

(3)深化图纸绘制:考虑开洞、降板、型钢柱、塔吊洞口、施工通道等现场实施的实际情况,进行板中预应力筋排布的等问题处理。

图片

板中缓粘结预应力筋躲洞方式示意图



三、小结


缓粘结预应力技术凭借“结构性能优、施工便捷、空间利用率高、质量可控”的核心优势,完美适配高铁站房等“大跨度、大空间、高耐久性、复杂施工”的结构设计工况的核心需求,已成为新建高铁站房核心区域、机场、博物馆、体育馆等大跨度、超长混凝土结构的优选方案。本文谨以“成都北站”工程中梁、板的缓粘结预应力混凝土结构设计实例为依托,简析了预应力设计的基本程序和设计要点,为工程设计提供参考。

图片

撰文|李彤

编辑 | 张学铭

审核|梁叶 

图片
图片
图片

关于兆福基


北京兆福基新材料科技发展有限公司是工程领域集研发、制造、设计、施工、检测与技术支持为一体的北京市“专精特新”及高新技术企业,是致力于为客户提供各种新型的预应力技术与产品、预应力设计与施工、深度的材料研发、检测及技术支持的整套服务体系的行业成熟企业。ZFJ-RPS缓粘结预应力技术体系开拓了在国内铁路桥梁、市政公路、水利输水隧洞、工业筒仓、大型公共建筑等领域的首次应用。

      截至目前ZFJ-RPS缓粘结预应力技术体系已在铁路、公路、市政多条线路的桥梁、多个工业筒仓以及多项大型公共建筑工程中得到广泛应用。该技术对动荷载大、疲劳效应突出或侵蚀性较强的各类大跨度预应力结构,尤具有显著的技术与经济优势。

应用领域

铁路与公路桥梁工程:适用于桥梁T形梁、箱型梁等梁体及桩体。可用于横向筋、竖向筋、纵向筋。

市政工程:应用于地铁、综合管廊、道路等超长结构墙体、板等需抗裂部位。

水利工程:适用于坝体、地下工程等大跨重载区域混凝土梁、板等结构。

海洋工程:适用于极端恶劣环境下的预应力混凝土结构。

特种工程:适用于筒仓、水池、核工业燃料储存工程、抗震试验台等结构。

工业与民用建筑工程:适用于机场航站楼、铁路站房、大型场馆与广场、办公楼等大跨预应力混凝土结构。

企业机构汇总

北京兆福基新材料科技发展有限公司

北京市朝阳区胜古中路金基业大厦5层

中研兆科(北京)技术有限公司

北京市房山区西潞街道长虹西路73号1层

中研兆和(海南)投资有限公司

海南省海口市美兰区新埠岛新埠路9号海南绿州环保产业园

河北金乐预应力新材料有限公司

河北省衡水市枣强县胜利北路1219号

图片